SOLO 60
Move 60-ton industrial machines, safely.
SOLO 60 ROBOT
The Solo 60 moves loads up to 60 tons safely, with remote control and an integrated brake for added control especially on slopes up to 4%. With a low profile of just 7.25 inches, it can be positioned quickly under the load. It’s ideal for tough industrial environments, production lines, and moving heavy machinery.
What is in your worksite box
Solo 60
The SOLO 60 is our latest engineering innovation. A powerful, rugged robot built for 60-ton heavy material handling operations where safety and precision are essential.
Remote Control
All Solo products come with a wireless remote control including a certified emergency stop and a signaling horn. The remote control comes with two chargers to help keep your Solo 60 running with minimal interruption.
Magnetic Safety Blocks
- Prevent loads from falling over if a skate slips
- Reduce risks of injury
- Reduce spotter need
- Useful for conventional dollies and robots
- Stackable blocks to adjust height
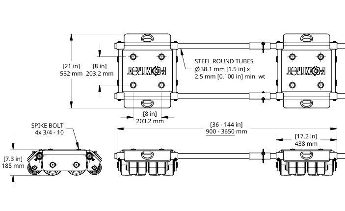
SK60 Skates
The Solo 60 kit includes SK60 skates built for heavy-load moves.
SKATE SK60
The SK60 skates adapt to different load geometries thanks to their multi-position alignment bar. Their 6-inch non-marking wheels reduce rolling resistance for smoother movement. With integrated handles, they are easy to carry.
2 Batteries
Use Solo 60 replacement batteries to keep your Solo running without interruption. The custom-made lithium batteries optimize autonomy while being compact.
Product specifications
| SPECIFICATIONS - SOLO 60 | |
|---|---|
| Towing capacity | 60,000 kg | 132,000 lb |
| Robot capacity | 30,000 kg | 66,000 lb |
| Robot weight | 360 kg | 800 lb |
| Robot dimensions | 184 × 752 × 1195 mm | 7.25 × 29.75 × 47 in |
| Runtime | Approx. 6 h per battery |
| Charging time | 4 to 5 h |
| Operating temperature | -20°C to +40°C | -4°F to 104°F |
| Speed | 8.5 m/min | 28 ft/min |
| Max slope | 4% |
| Max obstacle (lip) height | 8 mm | 3/8 in |
| Max crack width | 25 mm | 1 in |
| Skates dimensions | 184 × 532 × 438 mm | 25 × 21 × 17.25 in |
Our engineering approch
The SOLO 60 was developed over several months to deliver a unique solution built for the realities of modern industrial rigging: greater control, increased robustness, and quick setup under the load. Designed to move loads up to 60 tons, it combines a low profile of 7.25 in (184 mm) with optimized maneuverability to make alignment and repositioning easier, even in tight spaces.
For added safety and field performance, the SOLO 60 features a powerful brake for better control on slopes (up to 4%), enhanced traction with 8 drive wheels, and an internally protected motor/transmission to reduce the risk of impact damage. Its high-quality steel structure is engineered for superior strength and durability in demanding industrial environments.
Benoit SERRANO-PARENT
Founder & Engineer






